智能壓力變送器
※產品描述SWZ-2088智能壓力變送器由316L隔離膜壓力變送器、高性能微處理器、集成放大線路、高穩定恒流源組成,對傳感器非線性、溫度漂移進行修正補償,通過手操器在線調整變送器參數,實現準確的數字
- 質量穩定:實行全過程質量監控,多方位檢測!
- 合理的價格:有效的內部成本控制,減少開支,為客戶著想!
- 交貨快:完善的生產線,充足的庫存,縮短交貨時間!
- 電話:13505509911
- 手機:18949498858
- 郵箱:56487178@qq.com
Description
※產品描述
SWZ-2088智能壓力變送器由316L隔離膜壓力變送器、高性能微處理器、集成放大線路、高穩定恒流源組成,對傳感器非線性、溫度漂移進行修正補償,通過手操器在線調整變送器參數,實現準確的數字/數據傳輸、現場設備診斷、遠程雙向通訊等,具有精度高、穩定性好、操作方便等優點
※技術參數

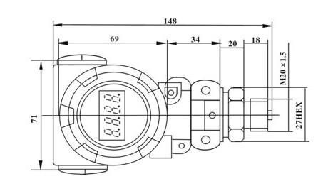
※尺寸

瀏覽:



