側裝式磁翻板液位計
1、基本型 根據浮力原理,浮子在測量管內隨液位的升降而上、下移動,浮子內的長期磁鋼通過耦合作用,驅動紅、白色翻柱翻轉180°,液位上升時翻柱由白色轉為紅色,下降時由紅色轉為白色,從而實現液位指示
- 質量穩定:實行全過程質量監控,多方位檢測!
- 合理的價格:有效的內部成本控制,減少開支,為客戶著想!
- 交貨快:完善的生產線,充足的庫存,縮短交貨時間!
- 電話:13505509911
- 手機:18949498858
- 郵箱:56487178@qq.com
Description
1、基本型
根據浮力原理,浮子在測量管內隨液位的升降而上、下移動,浮子內的長期磁鋼通過耦合作用,驅動紅、白色翻柱翻轉180°,液位上升時翻柱由白色轉為紅色,下降時由紅色轉為白色,從而實現液位指示。
2、電遠傳
在浮子液位計上安裝變送器,通過浮子上下移動,經磁耦合作用使導桿內測量元件依次動作,獲得電阻信號變化,轉換成0~10mA或4~20mA的標準信號輸出,與顯示儀表或計算機連接,達到遠傳目的。
3、上下限開關輸出
在液位計立管上由用戶設定上、下限位置安裝控制器,控制器內帶有自保持作用的舌簧開關,利用磁性浮子隨液位移動使簧片開關動作時,實現報警或限位控制。

系統構成及接線
1、上下限開關輸出
由具有自保持作用的舌簧開關和轉換器組成,舌簧開關和轉換器分別安裝于現場和控制室,由轉換器提供三對觸點開關。
2、電遠傳
由測量單元和變送單元兩部分組成。
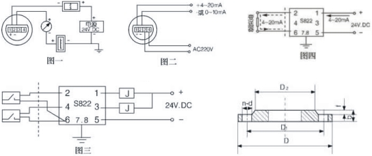
3、本安防爆
a 帶本安防爆,上、下限開關輸出型
防爆開關由舌簧開關和帶繼電器觸點的放心柵組成,可向用戶直接提供一對常開或常閉觸點。如用戶需更多觸點可特殊設計訂貨。(圖三)
b 帶本安防爆遠傳型
適合使用于∏類電氣設備(工廠用)、CJ氣體,高表面溫度組別T4(135℃)。(圖四)
c 使用注意事項
①變送器外殼設有外接地,用戶使用時須可靠接地。
②放心柵的使用應遵守有關使用說明內容。
③變送器與放心柵本安端的連接電纜為二芯屏蔽電纜,芯線截面積>0.5m,電纜允許分布電容為0.8μF。

用戶自備法蘭

主要技術指標

型號說明

瀏覽:
上一篇:無
下一篇:遠傳型磁翻板液位計



